Pada kali ini kita akan membahas mengenai rangkaian kontrol yang sering digunakan untuk berbagai kegunaan di industri, yaitu rangkaian motor listrik 3 fasa hidup dan mati secara bergantian. Yang dimaksud dengan bergantian disini adalah dua motor listrik tidak akan hidup/berputar secara bersamaan, melainkan hidupnya satu persatu. Bila motor yang pertama bekerja maka motor yang kedua tidak akan bisa bekerja sebelum motor pertama dimatikan demikian sebaliknya jika motor kedua bekerja maka motor yang pertama tidak akan bisa bekerja sebelum motor kedua dimatikan/off.
a.Rangkaian Menjalankan 2 Motor Listrik Secara
Begantian
Unduh Projectnya
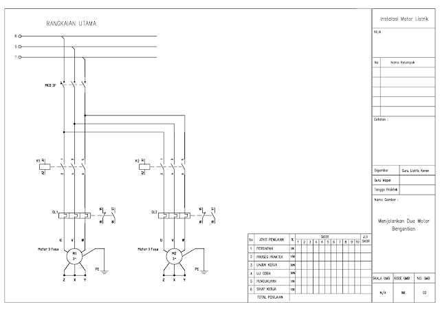
Rangakaian Motor Bergantian
Cara kerja rangkaian ini adalah Kedua motor M1 dan M2 tidak
dapat berputar secara bersama-sama harus bekerja secara
bergantian. Kondisi ini disebabkan oleh adanya kontak bantu
NC K2 di sebelum Koil K1, dan adanya kontak NC K1 sebeum
Koil K2, sehingga jika salah satu kontaktor bekerja, maka
kontak yang lain akan ter lock/kunci, tidak bisa aktif.
- MCB di ON kan maka lampu merah LM akan menyala
- Push Button di ON-1 kan, maka K1 akan menyala dan motor M1 akan berputar, ketika K1 aktif, kalau kita tekan tombol ON-2, K2 tidak akan menyala (motor M2 tidak bekerja) karena K2 sudah dikunci oleh NC K1 yang terbuka lebih dahulu akibat K1 sudah bekerja. Lampu indikator warna hijau LH akan menyala.
- Untuk mematikan K1 maka kita tekan OFF-1
- Push Button di ON-2 kan, maka K2 akan menyala dan motor M2 akan berputar, ketika K2 aktif, kalau kita tekan tombol ON-1, K1 tidak akan menyala (motor M1 tidak bekerja) karena K1 sudah dikunci oleh NC K2 yang terbuka lebih dahulu akibat K2 sudah bekerja. Lampu indikator warna hijau LH akan menyala.
- Untuk mematikan K1 maka kita tekan OFF-2
- Apabila terjadi overload maka OL1 atau OL2 akan bekerja memutuskan rangkaian, mengakibatkan rangkaian tidak bekerja. Indikator lampu warna orange LO akan menyala.
Sebaiknya Anda Tau !!
Untuk rangkaian menjalankan 2 motor listrik atau lebih secara bergantian adalah dengan cara menggunakan
interlock/pengunci pada kontaktor-kontaktornya, sehingga motor-motor tidak
bisa bekerja secara bersamaan (Motor hidup secara bergantian)
1. Rangakain Interlock 2 Kontaktor
2. Rangkaian Interlock Untuk 3 Kontaktor
Download BUKU-BUKU LISTRIK




Komentar harus sopan, tidak mengandung spam dan iklan ConversionConversion EmoticonEmoticon